MP-MI NEW MP-MI NEW Clamping range - D: 210-219 mm Thread - M: 3/4 in Distance centre pipe to top - h: 136 mm Features & Applications Features M8 clamping screws, secured against loss, with comination cross-recess head Welded-on heavy-duty nuts for clamping screw sizes 68 / 72 and above Pre-assembled non-slip rubber profile Clamping band with swaged bead for increased rigidity Applications Heavy-duty pipe installations in diameters up to 250 mm For approval or certificate information, please see individual items.
Technical Data
-
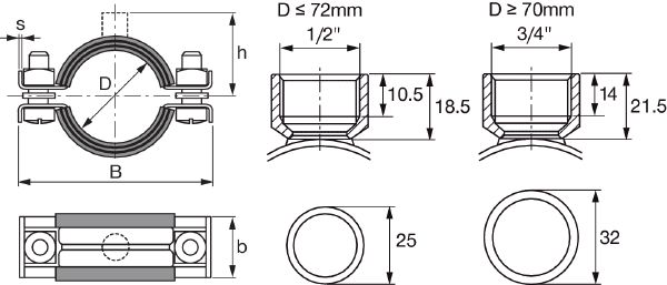
Clamping range - D
-
210 - 219 mm
-
Thread - M
-
3/4 in
-
Distance centre pipe to top - h
-
136 mm
-
Maximum load - F
-
4500 N
-
Material composition
-
S235JRG - DIN EN 10025
-
Temperature resistance
-
-40 - 110 °C
-
Surface finish
-
Galvanized
-
Insulation material
-
EPDM rubber
-
Hardness insulation material
-
50° ±5° Shore A
-
Clamping screw
-
M8
-
Tightening torque
-
3 Nm
-
Cross section thickness - s
-
3 mm
-
Cross section width - b
-
30 mm
-
Width - B
-
283 mm
-
Noise reduction
-
19 dB (A)
-
Approvals
-
Fire class B2